Product display產品展示
聯系我們/Contact us
青州市歐科車橋有限公司
地址:青州市云門山街道井亭村
聯系人:冷經理
手機:15624179800
郵編:262500
網址:www.hwgpt.cc
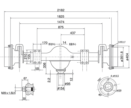
ZL30E驅動橋
ZL30E驅動橋
作者:青州市歐科車橋有限公司
時間:2021-08-20
點擊:


一、主要技術參數:
| 橋型 | 橋荷KG | 輸入扭矩N.M | 主減速比 | 輪邊速比 | 總速比 | 制動鉗 |
| ZL30E | 18500 | 2300 | 5.286 | 3.88 | 20.52 | X型(SOMA) |
二、結構特點:
本廠驅動橋為剛性橋,位于傳東西的末端,采用兩級減速一級為主傳動螺旋傘齒輪減速,一級為輪邊行星齒輪減速,差速功能采用行星差速器,行車制動鉗盤式制動器。
三、適用車型;3T輪式裝載機和14-18T壓路機






